¡Esta es una revisión vieja del documento!


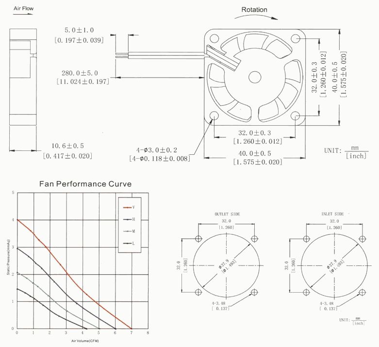
[Laboratorio] Ventilador 40x40x10 mm

Este tamaño es el típico que suele usarse en las impresoras 3D y por lo tanto muy común y fácil de encontrar.

Existen dos tipos de ventilador, los “Sleeve Bearing” y los “Ball Bearing”. Las principales diferencias entre ambos son:

  • Sleeve Baring
    • Nivel de ruido muy bajo.
    • Muy resistente al impacto.
    • Coste menor que el rodamiento de bolas.
    • El polvo puede acumularse y atascar el motor produciendo algo de ruido y lentitud con el tiempo, a muy largo plazo.
    • Soporta mejor funcionar en vertical que en horizontal.
  • Ball Bearing: Rodamiento de bolas.
    • Producen un nivel sonoro de ruido superior al sleeve bearing.
    • Tienen una vida más larga que los sleeve bearing, sobre todo funcionando en horizontal.
    • Los rodamientos de bolas son frágiles y no pueden soportar cualquier impacto exterior.
  • doc/tec/lab/prx_carga/ventilador_40_40/inicio.1764233228.txt.gz
  • Última modificación: 2025/11/27 09:47
  • por euloxio