[Filtros] Filtro EMI AC de 4 etapas, 10A


Filtro supresor de interferencias electromagnéticas (EMI) de cuatro etapas
- Modelo: ZS-0004
- Voltaje de entrada: monofásico CA 110-250V
- Voltaje de salida: monofásico CA 110-250V
- Corriente nominal de carga: 6A-10A
- Puerto de entrada: entrada de enchufe de tres cables
- Puerto de salida: salida de enchufe de tres cables
- Función: Filtrado de modo diferencial de primer nivel + filtrado de modo común de tercer nivel, filtrado EMI bidireccional, para evitar interferencias, extender la vida útil de los aparatos eléctricos y aumentar la estabilidad del equipo.
Características DE DISEÑO
- 1) Diseño ultra delgado, carcasa totalmente de aluminio.
- 2) Se utiliza un conjunto de filtros de modo diferencial y dos inductores diferenciales para realizar el filtrado de modo diferencial en la fuente de alimentación de CA para suprimir la interferencia de frecuencia media a alta.
- 3) Tres juegos de filtros de modo común se combinan a través de condensadores X2 e inductores de modo común para formar un filtro de modo común. Debido al uso de filtrado de tres niveles, el efecto de filtrado del ruido es mejor. Para ciertos sitios de usuarios con interferencia de pulso de grupo transitorio rápido con una frecuencia de repetición de varios miles de hercios el problema de la perturbación puede tener un efecto supresor.
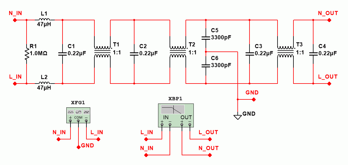
Selección de piezas principales
- Condensador: 4 x 0,22 uF / 305 V
- Condensador: 2 x 3300 pF / 275 V
- Inductancia de modo diferencial: 2 x 47 uH
- Inductancia de modo común: 3 x 5 mH
- Resistencia: 1 piezas
- Zócalo 7,62: 1 x 2 pin, 1 x 3 pin
Esquema fabricante
Simulación
Multisim
Proteus
Placa
Respuesta en frecuencia medida
Medición anónima
- Las mediciones para los cálculos de ganancia se realizaron manualmente con un osciloscopio Rigol DS1052E y un generador de señal Siglent 120MHz.
- Puede haber algunos pequeños errores en la medición debido a la precisión del equipo utilizado.