[LAB] FA: Elektor abril 1983 - El fundamento

Para estabilizar una tensión, puede optarse entre dos procedimientos: la estabilización en serie o la estabilización en paralelo. En el primer caso, se monta un transistor de regulación en serie con la carga; mientras que en el segundo, el transistor se coloca en paralelo. El más extendido de ambos métodos es el primero y es el que adoptaremos en nuestro circuito. No hay, pues, nada nuevo hasta ahora. Es en el tipo de regulación en donde radica la novedad.

figura 1a

Comencemos por examinar el esquema de principio de la figura 1a, en donde se ilustra una regulación tradicional. Se trata, esencialmente, de un amplificador operacional con salida de potencia, que es la fuente de la corriente de carga, esto es, en serie con la carga RL.

  • La entrada no inversora del amplificador operacional se mantiene a una tensión de referencia, Uref.
  • La entrada inversora del amplificador operacional está a un nivel de tensión que es una parte proporcional de la tensión de entrada (derivada mediante el potenciómetro P).
  • En estas condiciones, la salida del amplificador operacional se hará estable en el punto en donde es cero la diferencia de tensión entre las dos entradas. Es decir, el amplificador operacional mantendrá una condición en la que son iguales la tensión de referencia y la existente en el cursor del potenciómetro P. Será evidente, pues, que la tensión de salida dependerá de la posición de P. Con el potenciómetro en la oposición media, la salida será el doble de la tensión de referencia.
  • Las desventajas de este sistema son que el factor de estabilidad es función de la posición del cursor del potenciómetro P, la salida nunca puede ser inferior a la tensión de referencia y el funcionamiento de P no será lineal. Además, una eventual señal parásita presente en Uref se verá amplificada más o menos según la posición del potenciómetro, ya que las desviaciones de la tensión de salida son atenuadas por P antes de ser reinyectadas a la entrada inversora del amplificador operacional.

figura 1b

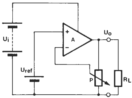
El diagrama de bloques de la figura 1b presenta otra solución.

  • En este caso, el amplificador operacional se utiliza como un amplificador de ganancia unidad y P es, ahora, un divisor de tensión conectado a través de la tensión de referencia.
  • La salida del amplificador operacional será, ahora, proporcional al nivel de tensión en el cursor de P.
  • En esta configuración, el margen de salida estará comprendido entre 0 y la tensión de referencia. Ello suena mejor pero está todavía lejos de lo idóneo.
  • Para obtener un margen que se extienda efectivamente hasta cero, es preciso alimentar simétricamente al amplificador operacional (es necesaria, pues, una tensión de alimentación negativa), lo que supone una nueva desventaja. Y, por añadidura, la tensión de referencia debe ser, como mínimo, tan alta como la salida máxima requerida. No se trata, por lo tanto, de una solución ideal.

figura 1c

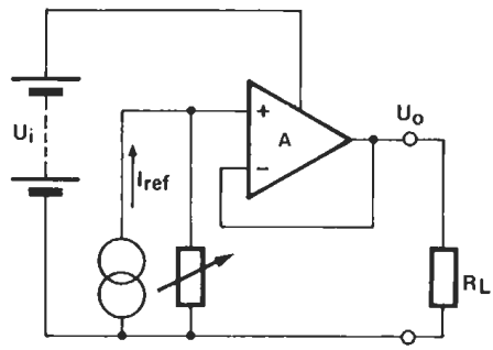
El esquema de la figura 1c está basado en el mismo principio que el de la figura 1b, pero trata de resolver los problemas sustituyendo la tensión de referencia, en lo relativo al amplificador operacional, por una corriente de referencia. La tensión de salida viene determinada, ahora, por la corriente que pasa a través de P. La ventaja es que el circuito ya no es función del nivel de tensión de referencia.

figura 1d

Llegamos, ahora, al esquema de la figura 1d, en donde encontramos lo esencial del circuito de la figura 1c, pero la fuente de corriente cede, de nuevo, su lugar a una fuente de tensión Uref con una resistencia R. La idea no es completamente nueva, pero el método aquí utilizado es un poco heterodoxo.

Como se indicó anteriormente, una fuente de corriente puede simularse colocando una resistencia en serie con una tensión de referencia derivada de la salida. Sin embargo, para que ello sea una realidad es preciso que el valor óhmico del potenciómetro P sea mucho menor que R. En la práctica, esta condición no es fácil de cumplir, por lo que será preciso buscar otra cosa.

Como ya hemos visto, el amplificador operacional tiende simplemente a anular la diferencia de potencial entre sus entradas, regulando la señal de salida reinyectada en la entrada inversora. Así, la tensión de salida es siempre igual a la tensión existente en la entrada no inversora.

La resistencia en serie está efectivamente colocada entre las dos entradas del amplificador operacional. Sin embargo, debido a la alta impedancia de las entradas, teóricamente, al menos, ninguna corriente puede penetrar en el amplificador operacional. En efecto, entonces, la corriente derivada de la fuente de referencia sigue el recorrido mostrado por una línea de trazos en el diagrama de bloques. Puesto que U1 = U2 (el amplificador operacional se encarga de que se cumpla) la corriente es constante, con independencia de la posición de P y del valor de la resistencia de carga. El valor de esta corriente es igual a Uref/R. Con esta corriente aparece una tensión en el potenciómetro, que el amplificador se encarga de restituir en su salida, mientras que la corriente de referencia está compensada por medio de la carga. El resultado de todo esto es que el circuito es conforme con lo que estamos buscando, que no es otra cosa que una corriente de referencia constante (incluso a 0 voltios) con el empleo de una fuente de tensión de referencia y una resistencia.

figura 2

La principal diferencia entre el diagrama de bloques de la fuente de alimentación de precisión de la figura 2 y el de la figura 1d es el hecho de que se incluyen dos amplificadores operacionales y un transistor de potencia de paso en serie. La fuente de corriente (Uref y R) y el potenciómetro P1 son muy similares.

  • El segundo amplificador operacional A2 es el responsable de la limitación de la corriente de salida.
  • La tensión a través de la resistencia de emisor RS del transistor T es proporcional a la corriente de carga de salida.
  • Una parte proporcional de la tensión de referencia se deriva por la posición de P2 y se compara con la tensión a través de RS mediante el operacional A2.
  • Cuando la tensión en RS se hace más alta que la establecida por P2, el amplificador operacional reduce la corriente de base de T hasta que se logre que la diferencia se haga cero.
  • El diodo LED, situado en la salida de A2, funciona como un limitador de corriente.


  • doc/tec/lab/fa/elektor83_teo1/inicio.txt
  • Última modificación: 2025/12/02 19:56
  • por fepg